UBS 300 HP

Rendelési kód | 9.020036
  • 286liter Tároló mérete
  • - Működés módja
  • zománcozott acél Tároló anyaga
  • - Hőcserélő teljesítmény
  • "C" kategória Szezonális hatásfok (2010/30/EU)

Bemutatás

Melegvíz tároló zománcozott acélból

- Űrtartalom: 286 liter
- Beépített magnézium anódrúd
- Tároló felfűtési ideje 10 °C-ról 60 °C-ra: 32 perc
- Hőcserélő felülete: 3,2 m2
- Tároló és hőcserélő anyaga: zománcozott acél
- Tömege víz nélkül: 133 kg
- Hőveszteség: 1,7 kWh / 24 óra
- Megengedett legnagyobb nyomás a tárolóban: 10 bar
- Megengedett legnagyobb nyomás a hőcserélőben: 10 bar
- Biztonsági szeleppel szállítva

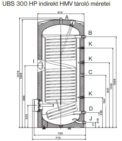
Méretek

 

 

"

"

Oldal tetejére