- 20.5kW Névleges fűtési teljesítmény
- 26.8kW Névleges HMV teljesítmény
- Fali átfolyós kombi Működés módja
- 94% "A" kategória fűtés, "A" XL kategória HMV Szezonális hatásfok (2010/30/EU)
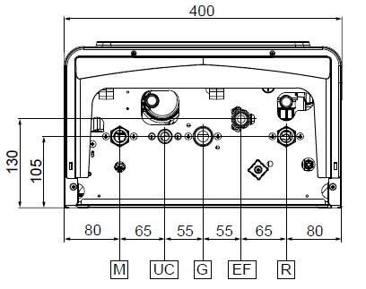
- 738 / 400 / 242 Méret (mag/szél/mély)
Bemutatás
A Victrix OMNIA V2 fali készülék 20 kW teljesítménnyel képes fűteni és 26 kW teljesítménnyel átfolyós rendszerben használati melegvizet előállítani. Kis méreteinek köszönhetően a lakás szinte bármely részén elhelyezhető. A Victrix OMNIA V2 kazánok alacsony energiaigényű szivattyúval vannak szerelve, láng modulációs tartományuk 20-100% közötti. Új típusú, rozsdamentes hőcserélőjének köszönhetően a kor kihívásainak megfelelő hatásfokot képes elérni. A készülék képes szinte minden féle hőfokszabályozási rendszerrel együttműködni, legyen szó a gyári Amico távszabályzóról, a Dominus távfelügyeletről vagy más gyártók szobatermosztátjairól. Gyári kialakításában, felár nélkül tartalmazza az időjárásfüggő szabályozást, így használatához csak egy külső hőmérséklet érzékelőre van szükség (opcionális). Felhasználóbarát elektronikájának köszönhetően egyszerűen üzemeltethető, az állapotjelző ábrák könnyen értelmezhetők
KIS MÉRETEK, NAGYSZERŰ TELJESÍTMÉNY, ELEGÁNS MEGJELENÉS
Kis méretei ideálissá teszik szűk helyre történő telepítésre. Mélysége kisebb mint 25 cm!
EGYHUZAMÚ, ROZSDAMENTES ACÉL HŐCSERÉLŐ
Egyhuzamú, állandó keresztmetszetű, magas vízáramlási mutatójú rozsdamentes acél hőcserélő.
KÉSLELTETETT TELJESÍTMÉNYFELFUTÁS
Az elektronikus lángmoduláció folyamatos energia megtakarítás és emelt szintű komfort biztosítása mellett képes a fűtővíz, valamint a használati melegvíz hőmérsékletének megfelelő szabályozására. A maximális teljesítményt 3 perc elteltével (állítható) éri el, ezáltal csökkentve a ki-bekapcsolások számát, növelve a hőcserélő élettartamát.
DIGITÁLIS KEZELŐFELÜLET
A digitális kezelőfelület biztosítja a készülék könnyű kezelhetőségét. A kézreálló gombokkal pontosan beállítható a hőmérséklet, illetve az egyéb paraméterek. A kijelző segítségével ábrák és kódok segítségével tájékozódhat az aktuális üzemmódról és az esetleges hibákról.
AUTOMATIKUS BY-PASS
Az automatikus by-pass része a készülék alapfelszerelésének, és lehetővé teszi a kazán használatát termosztatikus szeleppel felszerelt radiátoros rendszer esetén is. A by-pass szelep igény estén állítható vagy akár el is zárható.
SZOLÁR FUNKCIÓ
A beépített szolár funkció lehetővé teszi a szolár előtét tartállyal való együttmőködést.
MOTOROS VÁLTÓSZELEP
A használati melegvíz előállításakor a beépített, motoros váltószelep irányítja a kazánvizet a HMV hőcserélő felé.
BEÉPÍTETT IDŐJÁRÁSFÜGGŐ SZABÁLYOZÁS
Az időjárásfüggő szabályozás magasabb komfort mellett biztosít költséghatékonyabb üzemelést. Az elektronika a külső hőmérséklet függvényében változtatja a kazánvíz-hőmérsékletet, így energiát takarít meg és magasabb komfortot biztosít.
KONDENZÁCIÓS TECHNOLÓGIA
Az égéstermék rejtett hőjének (vízgőz tartalmának) kihasználása (kondenzációja) révén ugyanannyi energiát, mint a hagyományos, nem kondenzációs készülékek, kevesebb gáz eltüzelésével képesek leadni. A jobb tüzeléstechnikai hatásfok révén nem csak energiát takarít meg, hanem a környezetet is kevésbé terheli.
MEGNÖVELT HMV TELJESÍTMÉNY
A készülék a használati melegvíz előállításához növelt, 26 kW-os teljesítményt képes átfolyós rendszerben használati melegvizet előállítani.
IPX5D ELEKTROMOS VÉDETTSÉG
Magas páratartalmú és fröccsenő vizes környezetben is biztosítja a készülék biztonságos működését.
Méretek
MÉRETEK:



Műszaki adatok

Kiegészítők
Külsőhőmérséklet-érzékelő
Fűtési elzárócsapok roppantó gyűrűs csatlakozással, szűrővel szerelve
Kondenzvíz átemelő szivattyú
Alpha mágneses örvényszűrő
Kétfunkciós termosztatikus szolár szelep átfolyós kombi készülékekhez
Fűtési elzárócsapok roppantó gyűrűs csatlakozással (2 db)
Univerzális flexibilis bekötőcső készlet fali kiálláshoz
Univerzális merevfalú bekötőcső készlet fali kiálláshoz
Biztonsági termosztát készlet
Bekötőcső készlet készülékcseréhez (Immergas bekötésről Immergas Omnia bekötésre)
Bekötőcső készlet készülékcseréhez (Vaillant DIN bekötésről Immergas Omnia bekötésre)
Alsó takaróburkolat (Omnia készülékhez)
Kézi vezérlésű szobatermosztát
Crono 7 heti programozású, digitális szobatermosztát
Crono 7 vezeték nélküli, heti programozású, digitális szobatermosztát
Tybox 21 digitális szobatermosztát
Tybox 117+ heti programozású, digitális szobatermosztát
Tybox 137+ vezeték nélküli, heti programozású, digitális szobatermosztát
AMICO V2 heti programozású, digitális távvezérlő
AMICO V2 vezeték nélküli, heti programozású, digitális távvezérlő
Dominus távfelügyeleti modul
Többzónás szabályzó
Ø 80 mm-es, vízszintes elvezető készlet végelem nélkül
Ø 60/100 mm-es, koaxiális, vízszintes készlet
Ø 60/100 mm-es, koaxiális, vízszintes kivezetés
Ø 60/100 mm-es, koaxiális, függőleges készlet cserép vörös színben
Ø 80/80 mm-es, szétválasztott készlet
Ø 80 mm-es vízszintes elvezető készlet túlnyomásos üzemre alkalmas kéménybe történő bekötéshez
Ø 80 mm-es vízszintes ki- és bevezető készlet
Ø 80 mm-es végelem vízszintes ki- és bevezetéshez
Ø 80 mm-es függőleges ki- és bevezető készlet
Ø 80/125 mm-es vízszintes kivezető készlet induló idommal
Ø 80/125 mm-es függőleges kivezető készlet induló idommal és ferde tető átvezető gallérral
Ø 60 mm-es tömítőgyűrű
Ø 80 mm-es tömítőgyűrű
Ø 80 mm-es tömítőgyűrű ívekbe
Ø 100 mm-es tömítőgyűrű
Ø 110 mm-es tömítőgyűrű
Ø 125 mm-es tömítőgyűrű
Ø 60/100 mm-es tömítőgyűrű
Ø 80 mm-es, 0,5 m-es toldócső
Ø 80 mm-es, 1 m-es toldócső
Ø 80 mm-es, 2 m-es toldócső
Ø 60/100 mm-es, 0,5 m-es toldócső
Ø 60/100 mm-es, 1 m-es toldócső
Ø 80/125 mm-es, 1 m-es toldócső
Ø 80/125 mm-es, 2 m-es toldócső
Ø 80 mm-es, 90°-os ív
Ø 80 mm-es, 45°-os ív
Ø 60/100 mm-es, 90°-os ív
Ø 60/100 mm-es, 45°-os ív
Ø 80/125 mm-es, 90°-os ív
Ø 80/125 mm-es, 45°-os ív
Ø 80 mm-es, karimás, induló idompár
Ø 60 mm-es, 1 m-es toldócső
Ø 60 mm-es, 2 m-es toldócső
Ø 60 mm-es, 90°-os ív
Ø 60 mm-es, 45°-os ív
Ø 60 mm-es rögzítő kengyel csőtoldatok szétcsúszása ellen
Ø 60 mm-es támasztó gyűrű kéményben történő szereléshez a cső központosításához
Felfúrható konzol és csúszó támasztó lemez
Ø 60 mm-es, induló készlet a kémény bekötéshez, Ø 80/60 mm-es szűkítő idommal, 90°-os ívvel és rögzítő pánttal
Kémény szerelőnyílását lezáró készlet szerelőnyílást lezáró lemezzel, tartólemezekkel Ø 80-mm-es bekötéshez, szorítógyűrűs csatlakozóval a kondenzvíz kivezetéshez
Ø 80/125 mm-es, lapos tető átvezető gallér
Ø 80 mm-es flexibilis béléscső készlet
Alap készlet 80-as flexibilis béléscső rendszerhez
Ø 80/125 m-es füstgáz kivezető végelem, kültéri egység 80-as flexibilis béléscső rendszerhez
Toldó adapter 80-as flexibilis csövek közé
Ø 80 mm-es, karimás, induló idom füstgáz elvezetéshez
Ø 60/100 mm-es, karimás, induló idom
Ø 80/125 mm-es, karimás, induló idom
Ø 100 mm-es, fali, csatlakozó idom C9X rendszerhez
Ø 125 mm-es, fali, csatlakozó idom C9X rendszerhez, Ø 80/125 mm-es, karimás, induló idommal
Ø 60/100 mm-es, egyenes idom nyitható vizsgáló nyílással
Ø 80/125 mm-es, egyenes idom nyitható vizsgáló nyílással
Ø 60/100 mm-es, könyök idom nyitható vizsgáló nyílással
Ø 80/125 mm-es, könyök idom nyitható vizsgáló nyílással
Ø 60 mm-es végelem függőleges kivezetéshez, fehér színben, esővédő sapkával és kéménylezáró lemezzel
Ø 80/125 m-es füstgáz kivezető végelem, kültéri egység 50-es flexibilis béléscső rendszerhez
Alap készlet 50-es flexibilis béléscső rendszerhez
Toldó adapter 50-es flexibilis csövek közé
Clone of Ø 50 mm-es flexibilis béléscső készlet
80 mm-es hajlított bekötő készlet (70 fokos) flexibilis rendszerhez
Ø 80 mm-es rögzítő kengyel csőtoldatok szétcsúszása ellen
Ø 80 mm-es támasztó gyűrű kéményben történő szereléshez a cső központosításához
60 mm-es bővítő idom 80 mm-es flexibilis rendszerhez
Takaró gyűrű fali átvezeteséhez 80 mm-es fehér
Takaró gyűrű fali átvezeteséhez 100 mm-es fehér
Takaró gyűrű fali átvezeteséhez 125 mm-es fehér
Takaró gyűrű fali átvezeteséhez 80 mm-es szürke
Takaró gyűrű fali átvezeteséhez 100 mm-es szürke